Zum Hauptinhalt springen Zur Suche springen Zur Hauptnavigation springen
Zum Formular:
Angebot anfordern
Unsere Hotline:
+49 3933 9099 850

DEHNcube 2 YPV 1+2 1000 2M 2S FM - 900976

Art-Nr.: 33979

Produktinformationen "DEHNcube 2 YPV 1+2 1000 2M 2S FM - 900976"

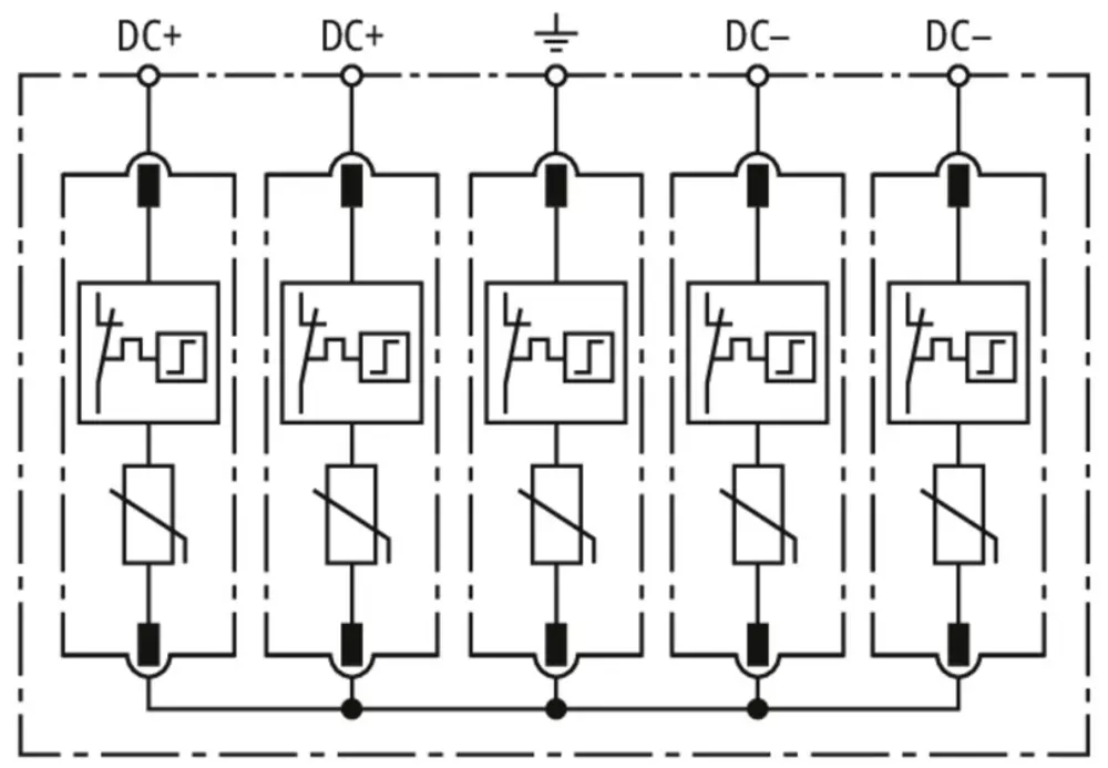
DEHNcube für 2-MPP-Tracker (2 x 2 Strings) - Überspannungsableiter Typ 2, max PV Spannung 1000 V, im Isolierstoffgehäuse IP65 schützt Photovoltaikanlagen vor Überspannungsschäden – kompakte, flexible Einheit ist besonders schnell installiert

Generatoranschlusskasten für PV-Systeme bis zu 1000 V DC mit Trennklemmen zum Schutz von zwei MPP-Eingängen und je zwei Strings. Mit Überspannungsschutz (Type 1+2) und Push-In Klemmen für den Ein- und Ausgang.

  • Generatoranschlusskasten DCU 2 YPV 1+2 1000 2M 2S FM
  • Generatoranschlusskasten bis 1000 V DC
  • zum Schutz von 2 MPPT mit je 2 Strings in Schutzart IP65
  • Defektanzeige und 
  • Generatoranschlusskasten nach 
  • 3-stufiger DC-Schalteinrichtung
  • Einsetzbar gemäß I
  • Maximale PV-Spannung: <=1100 V dc
  • Nennableitstoßstrom: (8/20) 20 kA
  • Gesamtableitstoßstrom: (8/20) 40 kA
  • Schutzpegel: <= 3,8 kV
  • Kurzschlussfestigkeit Iscpv: 10 kA
  • Abmessung: 
  • Kabeleinführung: 
  • Kabeleinführung: 

Photovoltaikanlagen sind vielfältigen äußeren Einflüssen ausgesetzt. Die häufigsten Schadensursachen, die bei Versicherungen eingereicht werden, sind Überspannungsschäden. Um Anlagen vor diesen Schäden zu bewahren, ist ein zuverlässiger Überspannungsschutz notwendig. Bei der Montage steht der Installateur jedoch oft vor dem Problem, dass kein Isolierstoffgehäuse für den Einbau eines Hutschienengerätes vorhanden ist und auch der Einbau in den Wechselrichter nicht möglich ist.

Ein ausführliches Datenblatt des DEHNcube finden Sie auf dieser Seite zum Download.

Schutz-Seite: DC-Schutz
Hersteller: Dehn

DEHN

DEHN ist ein führendes, international tätiges Familien­unternehmen der Elektrotechnik mit Sitz in Neumarkt i.d. Oberpfalz. Mit einem umfassenden Portfolio adressiert DEHN die Megatrends unserer Zeit – von Elektromobilität, über erneuerbare Energien bis hin zum Schutz kritischer Infrastruktur. Denn Energie- und Datennetze der Zukunft können nur mit entsprechenden Schutzlösungen zuverlässig funktionieren. DEHN bietet diese Lösungen.

DEHN SE
Hans-Dehn-Straße 1
92318 Neumarkt
Deutschland

Servicekontakt des Herstellers: technik.support@dehn.de
Webseite des Herstellers: https://www.dehn.de/de

0 von 0 Bewertungen

Durchschnittliche Bewertung von 0 von 5 Sternen

Bewerten Sie dieses Produkt!

Teilen Sie Ihre Erfahrungen mit anderen Kunden.


Ähnliche Artikel

Auf Lager
6 %
PV4all Tipp
Phoenix Contact PV-GAK SOL-SC-1ST-0-DC-2MPPT-1001

Verkaufspreis: 248,00 € Regulärer Preis: 264,00 € (6.06% gespart)
Auf Lager